Добрый день всем форумчанам.
Прошу не кидать в меня тапки и прочую утварь.
Не первый день читаю форумы на эту тему... Но так и не могу допереть...
Есть 2-х этажный коттедж, строю сам, многое своими руками...
Стены - газосиликат 375 мм. Холодный чердак. Магистральный газ.
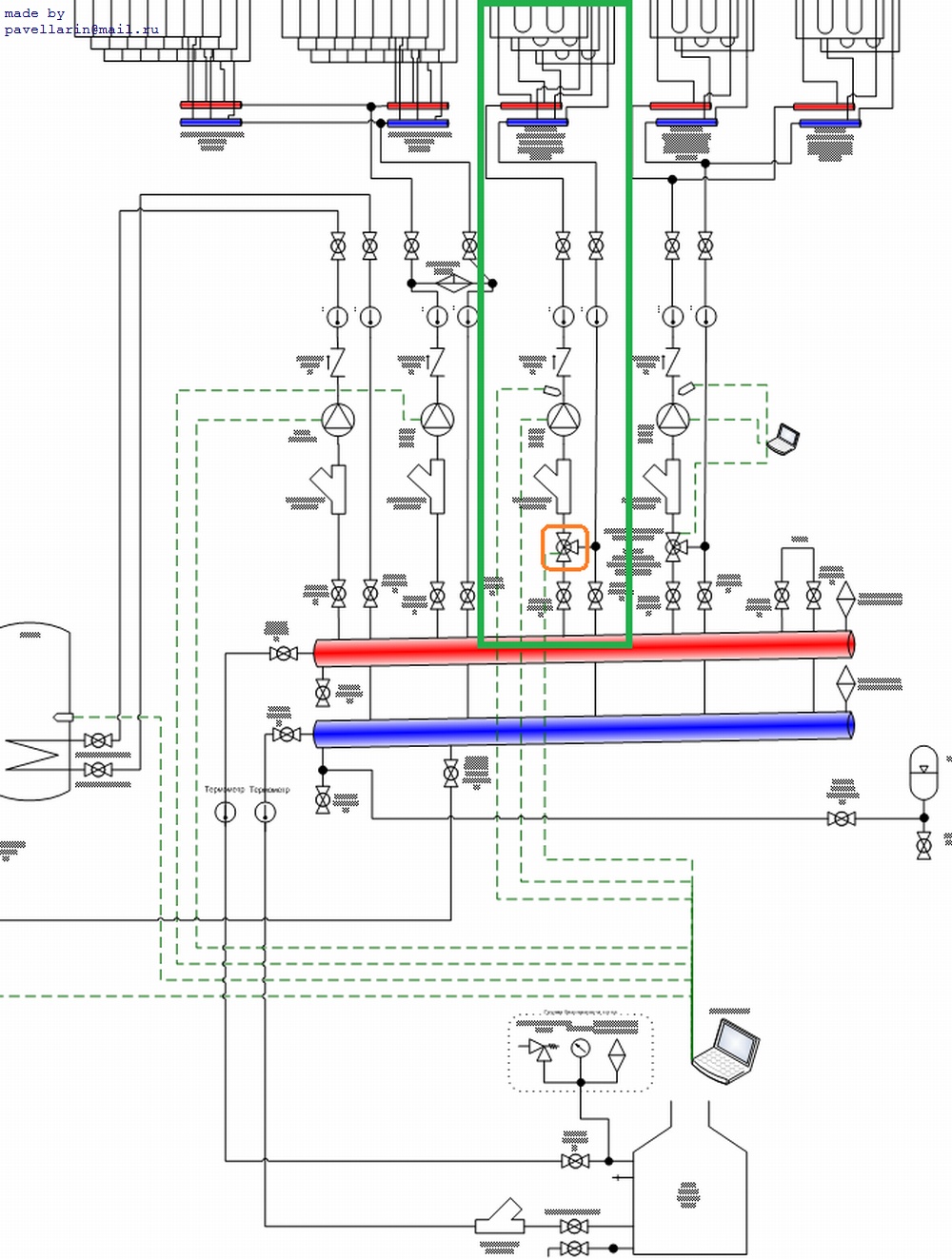
В доме смонтирована и запущена система радиаторного отопления, работает 3-й год... Давление в системе чуть боле 1 атм.
На первом этаже разложены трубы ТП, опрессованы, залита стяжка.
Котел Buderus G124WS, атоматика Logomatic 2107 + модуль FM 241 (еще не установлен) (функциональный модуль с датчиком температуры подающей линии для регулирования одного дополнительного отопительного контура со смесителем)
Этот FM241 умеет по трем проводам управлять серводвигателем, который устанавливается на клапан.
По тех параметам управления я подобрал детали: 3-х ходовой смесит. клапан ESBE VRG 130 + привод ESBE ARA 661, 230v, 120сек, 6нМ, время выбега серводвигателя 2мин, артикул 12101300
В доме уложено 5 петель, их длины 68+82+93+79+46м. Труба Rehau-pink 16. Уложены улитками. Подключены через коллектор, подвод к которым выполнен медной трубой 20мм.
Куплен насос грундфос 25-60
От котлового коллектора отвод 1"
Между собой эти "блоки" еще не соединены.
Для построения смесительного блока мне не хватает знаний для рассчета KVS клапана
По каталогу клапанов вижу, что существуют клапаны с одинаковыми подсоединительными отверстиями (и резьбами), но с разными коэффициентами пропускной способности.
Помогите определиться с клапаном, помогите его рассчитать.
С надеждой на помощь...
Нажмите для просмотра прикрепленного файла
Нажмите для просмотра прикрепленного файла
Нажмите для просмотра прикрепленного файла
Нажмите для просмотра прикрепленного файла
