Добрый день, форумчане!
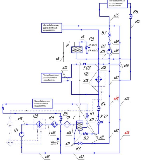
Имеется система отопления небольшого вагончика с использованием дизельного и электрического отопителя (работают поочередно). Антифриз насосом прокачивается через эти отопители и далее поступает в смеситель (гидравлический распределитель). И уже делится на 3 основных потока + обратка диаметром 8 мм, которая соединена с расширительным баком (который располагается на высоте 1 м). Каждый из 3 потоков далее следует в последовательно соединенные теплообменники (имеют разные длины, то есть потоки по сопротивлению, скорее всего не идентичны). И один из этих 3 потоков имеет еще один насос, так как антифриз горячий нужно поднять вверх в теплообменник на высоту около 2 метров.

В связи с чем вопрос, оба насоса стоят одинаковые. С номинальным расходом 5000 м3/час и напором 0,2 бар. Но из моих знаний, если 2 насоса стоят последовательно и они одинаковые, у них расход должен быть тоже одинаковый. Что не совсем вяжется с данной схемой. Не могли бы вы подсказать 1) могут ли центробежные насосы работать на меньшем расходе? если он не имеет регулировки (то есть там не стоит пч).
2) не совсем понятна роль обратки, которая подводится к расширительному баку. То ли, когда давление в системе больше необходимого, часть воды уходит в бак. Но тогда получается, что обратка будет постоянно пропускать часть воды в расширительный бак.
Нажмите для просмотра прикрепленного файла
Нажмите для просмотра прикрепленного файла
Нажмите для просмотра прикрепленного файла