Цитата(olg2004 @ 20.1.2023, 10:58)

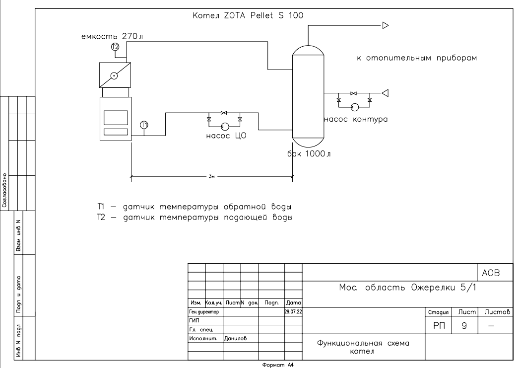
Ну как то так, безопастность коллекторы не рисовал. монтаж заказчик производил сам.
Нажмите для просмотра прикрепленного файлаТопливо говорят самое лучшее в районе, может правда влагу напитали пелеты хранится в плохоотапливаемом помещении
перепад 43-51, 8-12 град С
Только два пункта могу повторить
1) Топливо. Дело не в температуре хранения, а в упаковке и влажности. Можно, купив пеллеты высшего качества, случайно превратить их во второсортное топливо. Корж на горелке не с пустого места появляется. Можно увидеть в магазине, в конторе, на сайте лучшие в районе пеллеты, и получая отгрузку, не обратить внимание на отсутствие водонепроницаемого вкладыша в биг бэге или мешке.В результате покупаем первосортное, а получаем и используем второсортное, некондиционное топливо. Требовательность ретортной горелки к топливу находится на уровне да/нет, а не на уровне да/может быть/плохо но сойдёт.
2) Автоматика. Возможно, что в плате котла прошиты какие-то сверэкономичные режимы. По электрокотлам Зоты я с этим делом сталкивался.
Можно отключить уличный датчик и комнатный датчик, что автор и сделал. Ничего страшного, котёл с суперэкономичной прошивкой начнёт экономить ориентируясь только на датчики подачи/обратки. Поэтому и предлагал автору повысить уставку по подаче до максимума и после этого проконтролировать изменение разности подачи/обратки. Если дельта -Т кратковременно повысится, значит сто процентов, что в придачу к иным возможным неприятным факторам, в плате работают сверхэкономичные алгоритмы.
__________
3) Рециркуляционный насос должен быть в обязательном порядке. Либо рециркуляционный насос, либо обвязка с термостатом защиты от холодной обратки. Если защита от холодной обратки отсутствует, то не надо жаловаться на плавно но верно понижающийся КПД котла и на сокращение ресурса рубашки теплообменника. Это условие прописано в паспорте котла, как обязательное.