Внёс небольшие изменения в схему, добавил балансировочный клапан на байпас, а так же выяснил что циркуляции вероятно небыло из-за воздуха в котле, насос бассейна создаёт разряжение в котле, завоздушивает через воздухоотводчик. после заполнения котла, воздухоотврдчик приходится перекрывать. Вобщем схема заработала, но котёл работает на грани закипания, приходится прикрывать заслонку дымохода и дрова небольшими порциями сжигать. Раз не уследили, на температуре, около 100 стал булькать, циркуляция остановилась, так как пару некуда выходить, через кран на подающем патрубке, спустили его, циркуляция возобновилась. Напрашивается расширительный бак для открытых систем, но использовать его не получится, так как насос бассейна понижает уровень воды в котле ниже падающего патрубка, в случае сообщения с атмосферой.
Но проблема скорее в другом, трехходовый клапан предназначен для поддержания на обратке не меньше 60 градусов, пока обычная система отопления дома разогревается, часть горячего теплоносителя подмешивается через байпас в обратку, иными словами, часть тепловой энергии котла уходит на подогрев обратки, КПД сниженно, но в случае с домом, это временный переходный режим, а в моём случае этот штатный режим, так как обратка всегда будет от 15 градусов, до максимум до 30. Теперь думаю об использовании теплообменника, который позволит держать температуру обратки в контуре котла 60гр, следовательно байпас перекроет и котёл будет работать на максимальном КПД.
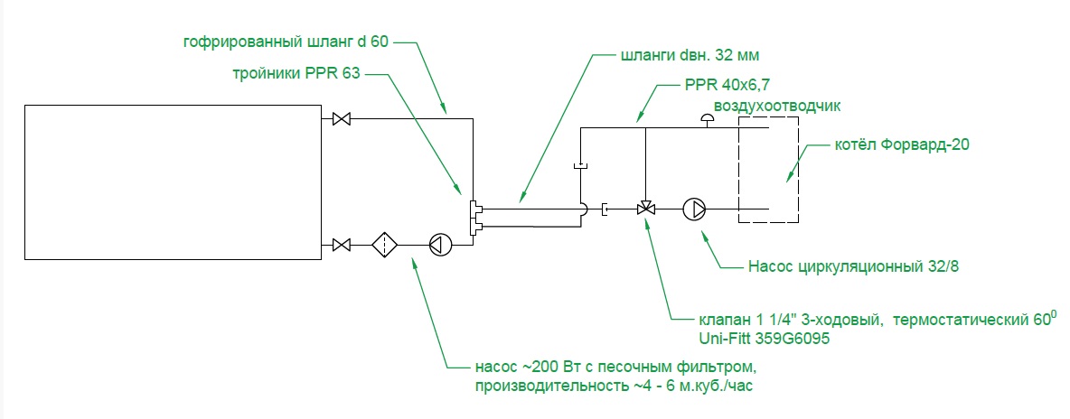
Схему режима работы прилагаю.
Нажмите для просмотра прикрепленного файлаЦитата(Alexeynt21 @ 10.9.2024, 23:07)

насос бассейна создаёт разряжение в котле, завоздушивает через воздухоотводчик. после заполнения котла, воздухоотврдчик приходится перекрывать. Раз не уследили, на температуре, около 100 стал булькать, циркуляция остановилась, так как пару некуда выходить, через кран на подающем патрубке, спустили его, циркуляция возобновилась. Напрашивается расширительный бак для открытых систем, но использовать его не получится, так как насос бассейна понижает уровень воды в котле ниже падающего патрубка, в случае сообщения с атмосферой.
Проблему с разряжением от насоса бассейна попытаюсь решить
подключением тройников (гидрострелки) после насоса. Но сейчас это не основная проблема