Цитата(igors1 @ 20.3.2025, 15:22)

А что именно работает некорректно? Кроме того, что убрали нужную арматуру
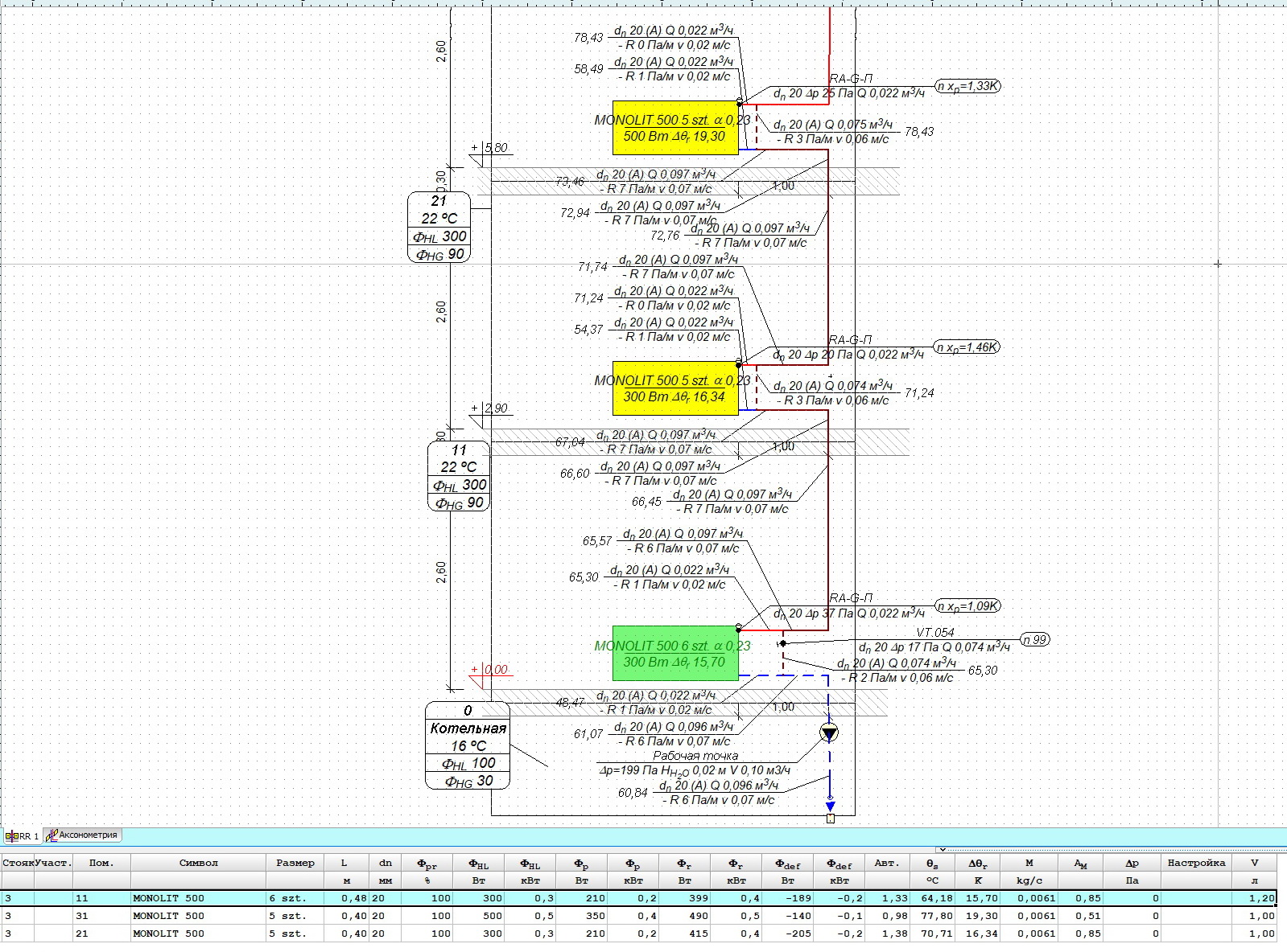
Да, всё видно, только почему диаметр байпаса такой же как и диаметр стояка Ду20? У нас были с этим проблемы, не затекал теплоноситель в радиатор если диаметр байпаса равен диаметру стояка
Некорректно подбирает количество секций радиатора и остывание тоже. Например версия 7.2 будет уменьшать остывание если тепла не хватает. А 7.3 остывание меньше 16-17 градусов не делает. Добавляю секций вручную, вместо того чтобы увеличить остывание 7.3 только показывает избыточность мощности радиатора. И тормозит версия 7.3 неимоверно, работать одно мучение, сидеть и долго ждать пока прога отреагирует на действия проектировщика. Жаль, но пока версия 7.3 - полный отстой.
Так термоклапаны же устанавливаете. Поэтому и байпас нужно делать не меньше сечения стояка. Иначе термоклапаны будут регулировать расход не только в своем радиаторе, а регулировать частично весь стояк.
И теплоноситель никак не может не затекать в радиатор при смещенном байпасе. Импульс массы теплоносителя же никуда не девается. p=m* v. Под воздействием импульса вода и будет заходить в радиатор.
Погуглите схему Инча. Так там теплоноситель затекает в радиатор под воздействием в основном только силы гравитации и следствия закона Бернулли. Кстати эта схема и при нижней подаче прекрасно работает. И смещение байпаса нафиг не нужно. Остывание в радиаторе такая схема дает 3-7 градусов.
Нажмите для просмотра прикрепленного файлаПрекрасно при верхней подаче работают на гравитации радиаторы с осевым байпасом (при нижней подаче уже нужна схема Инча). Фото ниже. Неужели не видели? Хотя современные сантехники выпучивают глаза и говорят, что вода не дура и будет идти минуя радиатор только по осевому байпасу. Ну не знают они, что существует гравитация.
Нажмите для просмотра прикрепленного файла