Коллеги,
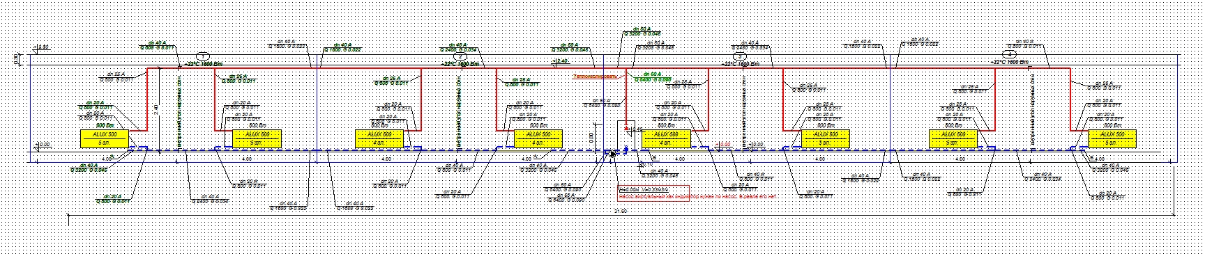
Переход с 50 на 40 планируется не ради экономии, т.к. разница в стоимости металлической трубы Ду=50 и Ду=40 составляет ~40 руб за метр, 2 участка по 8 метров (16 метров в обе стороны) будут дешевле на 1300 рублей, это ни о чем. В первом помещении потолки около 3,3 метров, и там большой розлив будет не очень сильно заметен. А во втором помещении потолки уже 2,8, сами комнаты меньше по ширине (вместо 6 метров - 4), там эстетичнее будет розлив потоньше. Я подумал, что с т.з. работоспособности разницы особой не будет, и поэтому решил сделать переход на Ду=40. Главный стояк сделать не Ду=50, а Ду= 63, тоже разница в пределах 1000 рублей. Поэтому и спрашиваю,
как лучше
, а дешевле или дороже здесь не получится, т.к. разница минимальная....
Полнопроходных регулировочных кранов на Ду=25 или Ду=20 я не видел, даже то, что называется "с увеличенным проходом", сужает проходное сечение более, чем в половину. Особо не нужны эти краны, тем более нормальных всё равно нет. Из полнопроходных видел только задвижки Ду=20 и Ду=25 Bugatti, но это не регулировочная арматура, и это латунь. Из-за этого решил эти задвижки не применять.
Нажмите для просмотра прикрепленного файлаInchin, что вы там посчитали? Напишите хотя-бы цифры гравитационного напора (давления), которые у вас получились для режима 60/45 и какое получилось сопротивление системы? Вообще вы крайне неординарный человек. Вчера пишите в личку, что готовы проконсультировать и даже возможно бесплатно рассчитать систему, если я создам тему на другом форуме по отоплению, который вы продвигаете. Из координат был в т.ч. скайп. Написал, решили созвониться. С первого звонка разговор был нервно-психованным, сводящимся к тому, что я долго печатаю в скайп, и это очень раздражает. Тем не менее решили, что я создам тему на другом форуме, после чего повторно созвонимся и обсудим систему. Тут, конечно, я сделал глупость, и доверился этому человеку (
Inchin). В момент моего второго звонка хамство стало просто невыносимым: и картинка у меня плохая, и длин на ней нет, и сам я ничего не соображаю, и т.д. В конечном итоге всё свелось к тому, что
Inchin заявил, что бесплатно он давно ничего никому не рассчитывает, и на этом разговор закончился

. Тему на его форуме, конечно, я удалил, но жаль потраченного времени на этого [censored] человека. Без цифр эти голословные утверждения ни о чем. Я-бы крайне не советовал никому не иметь дела с этим человеком.